Address location
Phone number
Email address
Steel Sheets and Plates
Seamless Steel Pipes – Circular
Hollow Structural Sections – Circular
Hollow Structural Sections – Square
Hollow Structural Sections – Rectangular
Round Steel Bars
Square Steel Bars
Flat Bars
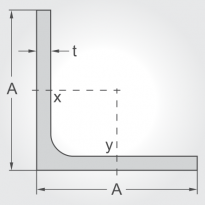
Equal Angles
Unequal Angles
Channels – GOST
Channels – UPN
Beams – IPN
Beams – IPE
Beams – HEA (IPBL)
Beams – HEB (IPB)
Flat Top Cone Measurement Tool
Input your values in the fields below:
WhatsApp us