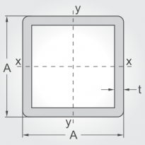
Hollow Structural Section – Square

Result