IPE Beam Steel Calculator

Beams - IPE

Input your values in the fields below:

Weight per meter: 0.00 kg/m
Total weight: 0.00 kg
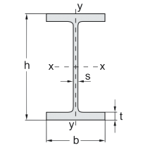
Note: This calculator uses the standard IPE (European standard I-beams with parallel flanges) dimensions according to EN 10365. You can either select a profile number or manually input custom dimensions.